-
-
-
Phí vận chuyển: Tính khi thanh toánTổng tiền thanh toán:
-
Cáp MR-CPCATCBL3M Dài 1.8M 6ft Programming Shield Cable MDR 20 Pin With Latch Clip Male to DB9 Female For Mitsubishi Servo Drive MR-J2S Cable Data Download Line
Mã SP: 9853
Thương hiệu: KTT Cable Encoder/Industrial
Loại sản phẩm: MR-CPCATCBL3M
Đánh giá
:Giá
:600.000₫
(Giá sản phẩm chưa bao gồm VAT)
Mô tả :
Xuất xứ/Nguồn hãng: ViệtNam/Thientruongpc
Bảo hành: 12 tháng
Tình trạng: Còn hàng
Mua Hàng Online
Mr Khanh: 091.301.5851
Mr Lam: 085.514.0226
Mr Hiển: 094.816.2498
Mr Khôi: 037.308.1800
Mr Khoa: 098.131.9702

MR-CPCATCBL3M Cable Download Line For Mitsubishi MR-J2S/J2 Servo
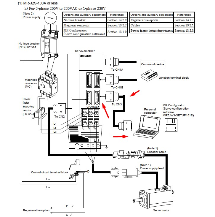
Cable connection diagrams MR-CPCATCBL3M

Mitsubishi Servo Drive MR-J2S 400W MR-J2S-40A



Cáp MR-CPCATCBL3M Dài 1.8M 6ft Programming Shield Cable MDR 20 Pin With Latch Clip Male to DB9 Female For Mitsubishi Servo Drive MR-J2S Cable Data Download Line
