-
-
-
Phí vận chuyển: Tính khi thanh toánTổng tiền thanh toán:
-
Cáp Lập Trình MR-CPCATCBL3M 10Ft Dài 3M Mitsubishi Servo MR-J2S/J2 Programming Download Cable
Mã SP: 8544
Thương hiệu: KTT Cable Servo Drive/PLC
Loại sản phẩm: MR-CPCATCBL3M
Đánh giá
:Giá
:1.200.000₫
(Giá sản phẩm chưa bao gồm VAT)
Mô tả :
Xuất xứ/Nguồn hãng: ViệtNam/Thientruongpc
Bảo hành: 12 tháng
Tình trạng: Còn hàng
Mua Hàng Online
Mr Khanh: 091.301.5851
Mr Lam: 085.514.0226
Mr Khoa: 098.131.9702
Mr Khôi: 037.308.1800
Hỗ trợ kỹ thuật Khanh: 038.724.5670





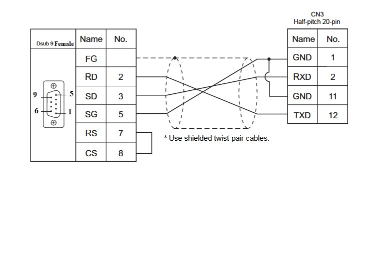
Wiring diagram RS232C Communication Cable Computer and Mitsubishi Servo MR-J2S/J2 Programming Download

Mitsubishi MR-J2S-10CP AC Servo Drive



Specifications
Brand: ViệtNam/Thientruongpc
Model: MR-CPCATCBL3M
Connector Computer 1: DB9 Female
Connector Mitsubishi Servo MR-J2S-Series Port CN3 2: MDR 20 Pin Male
Cable Type: RS232C Communication interfaces Data Transfer Cable
Connectors: SCSI MDR 20 Pin Male to DB9 Female
Wire Gauge (AWG): 28 AWG
Jacket Material: PVC
Cable Style: Round
Wire Diameter (mm): 6.2mm
Shielding: Yes
Length : 3M
Color: Black
Cáp Lập Trình MR-CPCATCBL3M 10Ft Dài 3M Mitsubishi Servo MR-J2S/J2 Programming Download Cable
Thiên Trường nhận cung cấp cáp theo độ dài khách hàng yêu cầu..., 1.5M, 3M...100M
Chúng tôi có thể sẵn sàng đáp ứng nhu cầu của bạn với việc vận chuyển hàng luôn trong ngày khi nhận được đơn đặt hàng.
