-
-
-
Phí vận chuyển: Tính khi thanh toánTổng tiền thanh toán:
-
Cáp Lập Trình 6Ft Dài 1.8M Cable RS232 DB9 Female to DB25 Male For HMI Weinview/Weintek MT8073iE and PLC Allen Bradley PLC-5 Series CPU Port Channel 0 CH0
Mã SP: 8436
Thương hiệu: KTT Cable PLC
Loại sản phẩm: Cable DB25 Male to DB9 Female
Đánh giá
:Giá
:400.000₫
(Giá sản phẩm chưa bao gồm VAT)
Mô tả :
Xuất xứ/Nguồn hãng: ViệtNam/Thientruongpc
Bảo hành: 12 tháng
Tình trạng: Còn hàng
Mua Hàng Online
Mr Khanh: 091.301.5851
Mr Lam: 085.514.0226
Mr Khoa: 098.131.9702
Mr Khôi: 037.308.1800
Hỗ trợ kỹ thuật Khanh: 038.724.5670

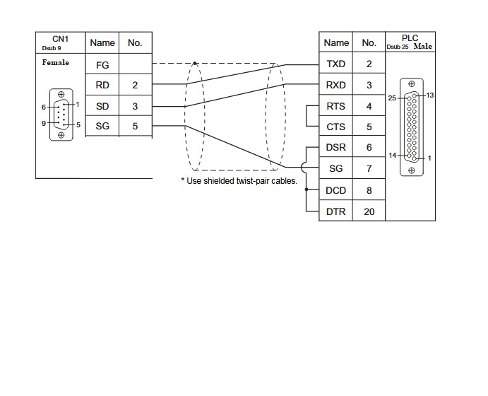
Wiring diagram RS232 Communication Cable HMI HMI Weinview/Weintek cMT Series cMT3151l, eMT Series eMT3070/ eMT3105 / eMT3120 / eMT3150, MT-iE MT8073iE / MT8102iE, MT-XE MT8092XE, MT-iP MT6103iP
and PLC Allen Bradley PLC-5 Series Port Channel 0 CH0
PLC Allen Bradley PLC-5 Series Port Channel 0 CH0 1785-KE, PLC-5/11, PLC-5/20, PLC-5/20E, PLC-5/30, PLC-5/40, PLC-5/40L, PLC-5/40E, PLC-5/60, PLC-5/60L, PLC-5/80, PLC-5/80E

Wiring Diagram:
9P D-Sub to 25P D-Sub: PLC5 CPU CH0
Diagram 1
cMT Series cMT3151
eMT Series eMT3070/ eMT3105 / eMT3120 / eMT3150
MT-iE MT8073iE / MT8102iE
MT-XE MT8092XE
MT-iP MT6103iP

HMI Weinview/Weintek cMT Series cMT3151l, eMT Series eMT3070/ eMT3105 / eMT3120 / eMT3150, MT-iE MT8073iE / MT8102iE, MT-XE MT8092XE, MT-iP MT6103iP DB9 Connector COM1 (Port RS232)


Connection HMI Weinview/Weintek DB9 Connector COM1/COM3 (Port RS232) Connection PLC, temperature controller, inverter, servo, barcode reader

PLC Allen Bradley PLC-5 Series Port Channel 0 CH0

PLC Allen Bradley PLC-5 Series Port Channel 0 CH0

Rockwell / Allen-Bradley 1785-L40C15 Series E PLC-5/40 Processor Module

Specifications
Brand: ViệtNam/Thientruongpc
Connector HMI Weinview/Weintek 1: DB9 Female
Connector PLC Allen Bradley Port Channel 0 2: DB25 Male
Cable Type: RS232 Communication interfaces Data Transfer Cable
Connectors: DB9 Female to DB25 Male
Wire Gauge (AWG): 28 AWG
Jacket Material: PVC
Cable Style: Round
Wire Diameter (mm): 5.6mm
Shielding: Yes
Length : 1.8M
Color: Black
Weinview/Weintek
HMI Weinview/Weintek cMT Series cMT3151l, eMT Series eMT3070/ eMT3105 / eMT3120 / eMT3150, MT-iE MT8073iE / MT8102iE, MT-XE MT8092XE, MT-iP MT6103iP DB9 Connector COM1 (Port RS232)
PLC Allen Bradley PLC-5 Series Port Channel 0 CH0
1785-KE, PLC-5/11, PLC-5/20, PLC-5/20E, PLC-5/30, PLC-5/40, PLC-5/40L, PLC-5/40E, PLC-5/60, PLC-5/60L, PLC-5/80, PLC-5/80E
Cáp Lập Trình 6Ft Dài 1.8M Cable RS232 DB9 Female to DB25 Male For HMI Weinview/Weintek MT8073iE and PLC Allen Bradley PLC-5 Series CPU Port Channel 0 CH0
Thiên Trường nhận cung cấp cáp theo chất lượng, độ dài khách hàng yêu cầu 1.5M, 3M...100M, khách hàng chỉ cần cung cấp đúng hãng, Model của PLC/HMI Port kết nối PLC to HMI/Computer.
Chúng tôi có thể sẵn sàng đáp ứng nhu cầu của bạn với việc vận chuyển hàng luôn trong ngày khi nhận được đơn đặt hàng.
