-
-
-
Phí vận chuyển: Tính khi thanh toánTổng tiền thanh toán:
-
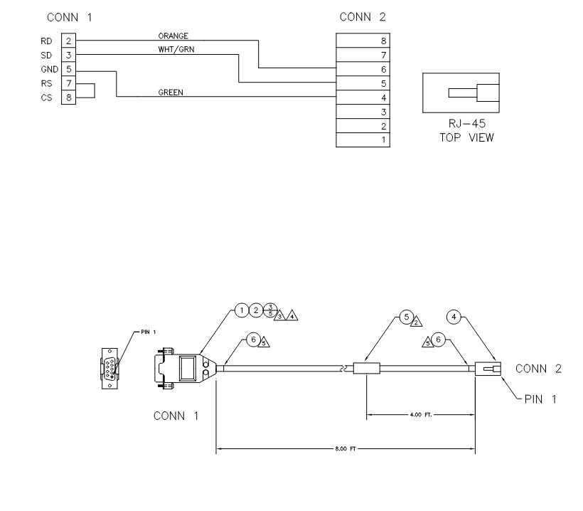
Cáp Điều Khiển HMI-CAB-ST809 Dài 3M 10Ft RS-232 Cable Shielded Connector RJ45 Male to DB9 Female For HMI Proface GP4000 ST3000 Series ST401 with Emerson ROC800 Series
Mã SP: 10011
Thương hiệu: KTT Industrial/PLC/HMI/Computer
Loại sản phẩm: RJ45 to DB9F Cable
Đánh giá
:Giá
:700.000₫
(Giá sản phẩm chưa bao gồm VAT)
Mô tả :
Xuất xứ/Nguồn hãng: ViệtNam/Thientruongpc
Bảo hành: 12 tháng
Tình trạng: Còn hàng
Mua Hàng Online
Mr Khanh: 091.301.5851
Mr Lam: 085.514.0226
Mr Khoa: 098.131.9702
Mr Khôi: 037.308.1800
Hỗ trợ kỹ thuật Khanh: 038.724.5670

HMI-CAB-ST809 Cable RS-232 Pro-face HMI AGP3000 Series ST401 to Emerson ROC800 Series Connection Cable
DRAWING Cable HMI-CAB-ST809

HMI Proface ST3000 Series Touch Panel


HMI Proface ST3000 Series Touch Panel
Serial Interface (COM1)
RS-232C serial interface. D-Sub 9-pin plug type

Emerson ROC800 Series EMERSON ROC-827 CONTROLLER

RS-232 Communication

Cáp Điều Khiển HMI-CAB-ST809 Dài 3M 10Ft RS-232 Cable Shielded Connector RJ45 Male to DB9 Female For HMI Proface GP4000 ST3000 Series ST401 with Emerson ROC800 Series
