-
-
-
Phí vận chuyển: Tính khi thanh toánTổng tiền thanh toán:
-
Cáp Chuyển CanTops CTS-ICOM IR PIO 006-001073 External Photos Appendix 3
Mã SP: 9499
Thương hiệu: CanTops
Loại sản phẩm: I/O Archives CTS-ICOM
Đánh giá
:Giá
:3.000.000₫
(Giá sản phẩm chưa bao gồm VAT)
Mô tả :
Xuất xứ/Nguồn hãng: Korea/Original CanTops
Bảo hành: 12 tháng
Tình trạng: Còn hàng
Mua Hàng Online
Mr Khanh: 091.301.5851
Mr Lam: 085.514.0226
Mr Khoa: 098.131.9702
Mr Khôi: 037.308.1800
Hỗ trợ kỹ thuật Khanh: 038.724.5670

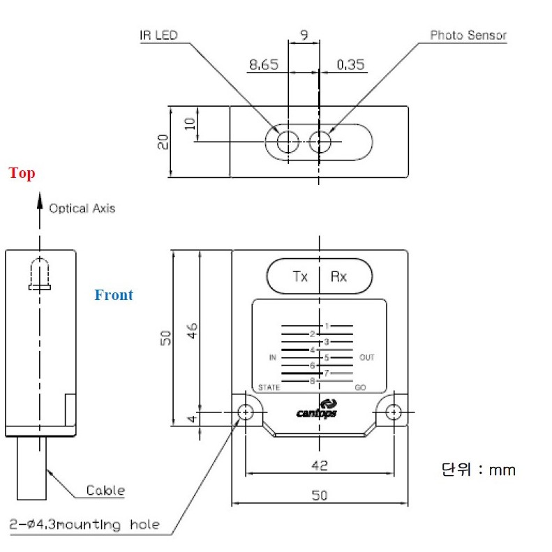
CTS-ICOM IR PIO External Photos Appendix 3 of EUT CanTops

Hybrid PIO , RFID ReaderpCOM , Motion I/O Board

E84 Sensor, IR-PIO는 IR(광)을 이용한 통신 장치로, VHL과 EQ간의 Input/Output 신호를
비접촉으로 주고 받는 장치로, 다양한 외부 광 노이즈에서도 안정적으로 동작할 수 있도록
첨단 기술이 집약된 우수한 제품입니다.

Cable E150633 AWM 2095 AME-SB 80°C 300V VW-1 25C X 26AWG KWANGIL RoHS -LF-

CanTops-CTS-ICOM
IR PIO can communicate with DMS, DMJ, DMGSeries, and SOT-FP801 Series.






The product code identifies IR PIO specifications.
AA : Slave operation (AB is Master operation)
11 : Connector type (Serial connector : DSUB9 Pin female, I/O cable connector : DSUB25 pin male)
05 : Distance when using optical (IR) communication (05 is 0.5M)
F: IR Window Direction (F: Front view, T: Top view)
150: I/O cable Length (150 : 1.5M)
030 : Serial cable length (030 : 0.3M, Serial cable used for Maintenance)
Cáp Chuyển CanTops CTS-ICOM IR PIO 006-001073 External Photos Appendix 3
