-
-
-
Phí vận chuyển: Tính khi thanh toánTổng tiền thanh toán:
-
Cáp DV0P4360 Dài 7M 23ft Shielded Cable Connector MDR 50 Pin Male to 50 Core (50 x 0.2mm² OD 14mm) For Panasonic A5 A6 Series Servo Driver CN X4 50P Terminal with Control Cable
Mã SP: 10873
Thương hiệu: KTT Cable Servo Drive/Industrial
Loại sản phẩm: Cable MDR 50 Pin Male to 50 Wire
Đánh giá
:Giá
:4.500.000₫
(Giá sản phẩm chưa bao gồm VAT)
Mô tả :
Xuất xứ/Nguồn hãng: ViệtNam/Thientruongpc
Bảo hành: 12 tháng
Tình trạng: Còn hàng
Mua Hàng Online
Mr Khanh: 091.301.5851
Mr Lam: 085.514.0226
Mr Khoa: 098.131.9702
Mr Khôi: 037.308.1800
Hỗ trợ kỹ thuật Khanh: 038.724.5670

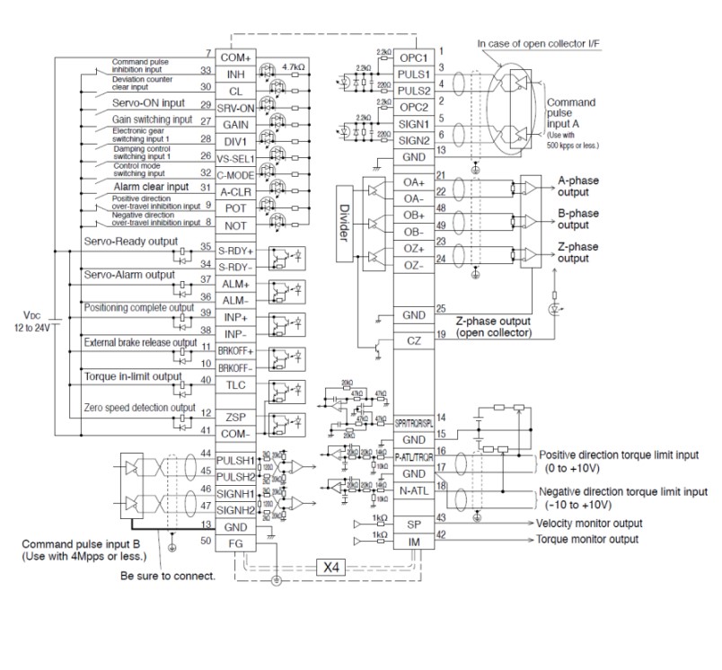
DV0P4360 Panasonic Servo Drive X4 I/O Communication Cable 50-Pin
Cable Drawing


Servo Motor Interface IO Control Cable
Brand: Thientruongpc - ViệtNam/Thientruongpc
Cable Type: Communication IO Data Cable
Connector 1: Jack Suntone SM-50J Connector MDR 50 Pin Male Screw
Connector 2: HITACHI 50 Core x 0.2mm² OD 14mm (Core Bare Wire Open End)
Bộ Lọc Khử Từ Kẹp Dây Tín Hiệu Chống Nhiễu TDK ZCAT3035-1330 Ferrite Core Cable Max OD 13mm Noise Suppressor EMI RFI Clip Choke
Connector plating: Connector Gold Plated
Gender: SCSI MDR 50 Pin Male to 50 Cores
Wire: UL 28AWG - Shielded Cable OD=14mm
Pin-Out: Connection: 1-Wire color code / 2-Wire color code / .-. / .-. / 8-Wire color code / 50-Wire color code / Shield-Shield
Cable HITACHI 25PR 50 Core x 0.2mm² Cable OD 14mm
Cable Length: 7M ~ 23ft
Color: Black
Cáp DV0P4360 Dài 7M 23ft Shielded Cable Connector MDR 50 Pin Male to 50 Core (50 x 0.2mm² OD 14mm) For Panasonic A5 A6 Series Servo Driver CN X4 50P Terminal with Control Cable
