-
-
-
Phí vận chuyển: Tính khi thanh toánTổng tiền thanh toán:
-
Cáp Lập Trình PLC Programming Cable Allen Bradley 1761-CBL-PM02 Communication RS232 8 Pin Mini DIN Male to DB9 Female Dài 1.8M For Allen Bradley MicroLogix 1500 Với Computer
Mã SP: 0409
Thương hiệu: KTT
Loại sản phẩm: Cable MD8M to DB9 Female
Đánh giá
:Giá
:400.000₫
(Giá sản phẩm chưa bao gồm VAT)
Mô tả :
Xuất xứ/Nguồn hãng: ViêtNam/KTT
Bảo hành: 12 tháng
Tình trạng: Còn hàng
Mua Hàng Online
Mr Khanh: 091.301.5851
Mr Lam: 085.514.0226
Mr Hiển: 094.816.2498
Mr Khôi: 037.308.1800
Mr Khoa: 098.131.9702



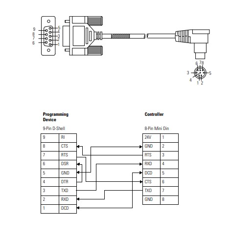
1761-CBL-PM02 (or equivalent) Cable Wiring Diagram

Communication Connections RS-232

Allen Bradley MicroLogix 1500


Computer Desktop

Card PCI Express to 1 Port RS232 Serial


Computer Laptop

USB 2.0 to RS232 Serial



Cáp Lập Trình PLC Programming Cable Allen Bradley 1761-CBL-PM02 Communication RS232 8 Pin Mini DIN Male to DB9 Female Dài 1.8M For Allen Bradley MicroLogix 1500 Với Computer.
Cáp dùng Update/Download dữ liệu hai chiều từ PLC Allen Bradley với máy tính và ngược lại.
