-
-
-
Phí vận chuyển: Tính khi thanh toánTổng tiền thanh toán:
-
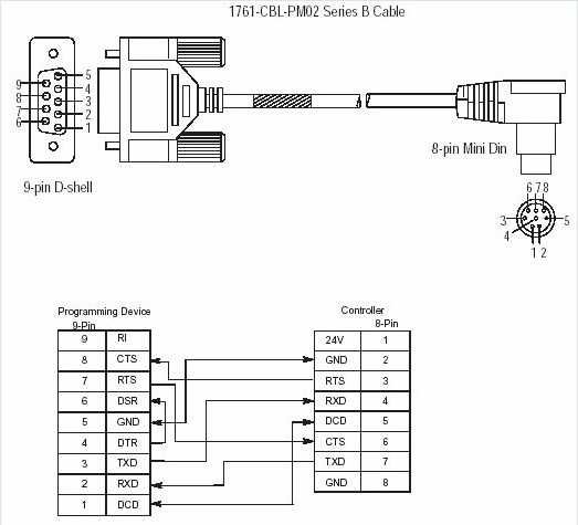
Cáp Lập Trình Allen Bradley Micrologix 1761-CBL-PM02 RS232 DB9 Female to Mini Din 8 Pin Male Cable For PLC MicroLogix 1100 Black Length 5M
Mã SP: 3235
Thương hiệu: KTT Cable PLC
Loại sản phẩm: Cable MD8M to DB9 Female
Đánh giá
:Giá
:900.000₫
(Giá sản phẩm chưa bao gồm VAT)
Mô tả :
Xuất xứ/Nguồn hãng: ViệtNam/Thientruongpc
Bảo hành: 12 tháng
Tình trạng: Còn hàng
Mua Hàng Online
Mr Khanh: 091.301.5851
Mr Lam: 085.514.0226
Mr Khoa: 098.131.9702
Mr Khôi: 037.308.1800
Hỗ trợ kỹ thuật Khanh: 038.724.5670







PVC Jacketed Multi-Core Shielded Cable











Tên cáp: Cáp Lập Trình Allen Bradley Micrologix 1761-CBL-PM02 RS232 DB9 Female to Mini Din 8 Pin Male Cable For PLC MicroLogix 1100 Black Length 5M
Model: 1761-CBL-PM02 Cable
Xuất xứ/Nguồn hãng: KTT Việt Nam
Rắc cắm kết nối Computer: DB9 Female 9Pin
Rắc cắm kết nối Allen Bradley Micrologix: Mini Din 8 Pin Male
Chỉ số đo cỡ dây dẫn theo tiêu chuẩn: 26AWG
Đường kính ngoài sợi cáp: 6.2mm
Cáp bọc loại nhựa PVC - Polyvinyl Clorua
Cáp có bọc bạc chống nhiễu và dây thép gia cường tắng lực chịu tải khi sử dụng
Số dây truyền dẫn tín hiệu: 6 sợi + 1 sợi tiếp mát và vỏ bọc bạc chống nhiễu chống ẩm
Vỏ PVC cách điện chịu nhiệt cáp mềm dẻo PVC 80 độ C
Trọng lượng của sản phẩm: 273g
Chiều dài sợi cáp: 5M
Màu cáp: Black
Thông số in nổi trên sợi cáp: E318309 AWM STYLE 20276 80°C 30V VW-1
Đóng gói bao bì sản phẩm: Tem nhãn hàng hóa bằng túi nilon mỗi túi một sợi
Cáp 1761-CBL-PM02 kết nối ML 1100 / Màn hình cảm ứng và PC
Compatible PLCs:
Micrologix:
1000, 1100, 1200, 1400, 1500, 1761-L10BWA, 1761-L10BWB, 1761-L10BXB, 1761-L16AWA, 1761-L16BBB, 1761-L16BWA, 1761-L16BWB,
1761-L16NWA, 1761-L16NWB, 1761-L20AWA-5A, 1761-L20BWA-5A, 1761-L20BWB-5A, 1761-L32AAA, 1761-L32AWA, 1761-L32BBB, 1761-L32BWA,
1761-L32BWB, 1763-L16AWA, 1763-L16BWA, 1763-L16BBB, 1763-L16DWD, 1762-L24AWA, 1762-L24AWAR, 1762-L24BWA, 1762-L24BWAR,
1762-L24BXB, 1762-L24BXBR, 1762-L40AWA, 1762-L40AWAR, 1762-L40BWA, 1762-L40BWAR, 1762-L40BXB, 1762-L40BXBR, 1766-L32BWA,
1766-L32AWA, 1766-L32BXB, 1766-L32BWAA, 1766-L32AWAA, 1766-L32BXBA, 1764-24AWA, 1764-24BWA, and 1764-28BXB
