-
-
-
Phí vận chuyển: Tính khi thanh toánTổng tiền thanh toán:
-
Bộ Chuyển Đổi Tín Hiệu ADAM-4520 RS-232 to RS-422/485 Advantech Converter
Mã SP: 10056
Thương hiệu: Advantech ADAM Converter
Loại sản phẩm: RS232 to RS422/485 Converter
Đánh giá
:Giá
:8.500.000₫
(Giá sản phẩm chưa bao gồm VAT)
Mô tả :
Xuất xứ/Nguồn hãng: Taiwan/Advantech ADAM Converter
Bảo hành: 24 tháng
Tình trạng: Còn hàng
Mua Hàng Online
Mr Khanh: 091.301.5851
Mr Lam: 085.514.0226
Mr Khoa: 098.131.9702
Mr Khôi: 037.308.1800
Hỗ trợ kỹ thuật Khanh: 038.724.5670

Advantech ADAM-4520 interface converter RS-232, RS-422, RS-485 12V/DC, 24V/DC, 48V/DC




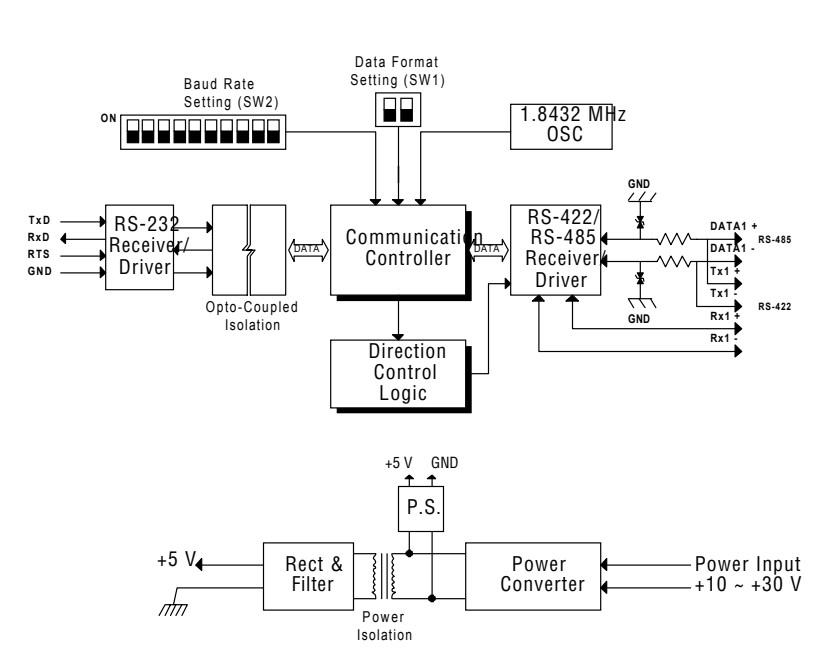
ADAM-4520 Converter Function Diagram

Default setting

ADAM-4520/4522 Data format settings (SW1)

ADAM-4520/4522 Baud rate settings (SW2)

Power supply

Communication wiring ADAM-4520/4522 Converter Connection Diagram

Advantech ADAM-4520 Data Gateway RS-232, RS-422, RS-485

Bộ Chuyển Đổi Tín Hiệu ADAM-4520 RS-232 to RS-422/485 Advantech Converter
