-
-
-
Phí vận chuyển: Tính khi thanh toánTổng tiền thanh toán:
-
Bộ Combo Cáp Điều Khiển PLC Programming Koyo USB D2-DSCBL Programming Cable Click DirectLOGIC UNITEK Y-105 or RS232C DB9 Female to RJ12 6 Pin
Mã SP: 3908
Thương hiệu: KTT
Loại sản phẩm: Cable MD6M to DB9 Female
Đánh giá
:Giá
:700.000₫
(Giá sản phẩm chưa bao gồm VAT)
Mô tả :
Xuất xứ/Nguồn hãng: ViêtNam/KTT
Bảo hành: 12 tháng
Tình trạng: Còn hàng
Mua Hàng Online
Mr Khanh: 091.301.5851
Mr Lam: 085.514.0226
Mr Khoa: 098.131.9702
Mr Khôi: 037.308.1800
Hỗ trợ kỹ thuật Khanh: 038.724.5670













Thương hiệu: PLC Programming Cable
Model: D2–DSCBL Cable
Xuất xứ/Nguồn hãng: KTT Việt Nam
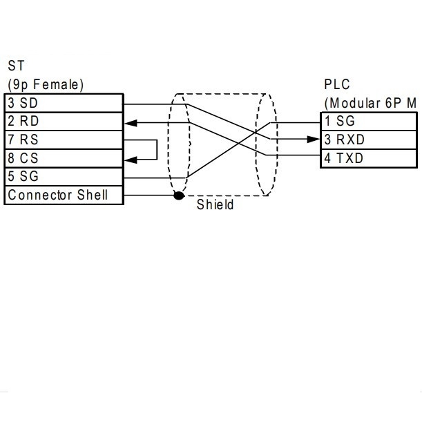
Loại sản phẩm: Cáp PLC Programming D2–DSCBL Cable Kết Nối KOYO DirectLOGIC D0-05DD Máy Tính RS232C DB9 Female to RJ12 6 Pin For Truyền Số Liệu Nạp Code Download/Upload Length 1.8M
Rắc cắm kết nối KOYO DirectLOGIC D0-05DD A: RJ12 6 Pin Male (thuật ngữ kỹ thuật đầu kết nối RJ11 hoặc RJ12 6 chân)
Rắc cắm kết nối Computer B: DB9 Female (thuật ngữ kỹ thuật đầu kết nối cổng Com 9 chân hai hàng chân cắm âm)
Chỉ số đo cỡ dây dẫn theo tiêu chuẩn: 28AWG
Đường kính ngoài sợi cáp: 5.2mm
Cáp bọc loại nhựa PVC - Polyvinyl Clorua có bọc bạc chống nhiễu và sợi nhôm bọc Multi Core
Số dây truyền dẫn tín hiệu: 3 sợi với 3 mầu khách biệt nhau
Cáp sử dụng chất liệu: 4-wire cable PVC Jacketed Multi-Core Cables
Vỏ PVC cách điện chịu nhiệt cáp mềm dẻo PVC 80 độ C điện áp 30V
Trọng lượng của sản phẩm: 97g
Chiều dài sợi cáp: 2M
Màu cáp: Black
Thông số in nổi trên sợi cáp: AWM 2725 28AWG/1P 24AWG/2C VW-1 80°C 30V TH USB 2.0 I/II A FT1 60°C 30V High Speed USB Revision 2.0
Đóng gói bao bì sản phẩm: Tem nhãn hàng hóa bằng túi nilon mỗi túi một sợi
Cáp Kết Nối PLC Programming D2–DSCBL Cable được sử dụng cho điều khiển truyền số liệu, nạp code KOYO DirectLOGIC D0-05DD…Mỗi một thiết bị tương ứng với một chuẩn kết nối tín hiệu khách nhau vì vậy người sử dụng cần nắm được mục đích kết nối để mua đúng sản phẩm cần dùng cho từng thiết bị và model tương ứng.
Thiên Trường nhận sản xuất các loại cáp điều khiển truyền số liệu PLC CNC kết nối tới Computer và PLC HMI màn hình cảm ứng với độ dài và chất lượng theo yêu cầu của khách hàng, khách hàng chỉ cần cung cấp đúng tên sản phẩm và model cần kết nối từ A điến B hặc C…Thiên Thường xẽ cung cấp sơ đồ kết nối của thiết bị. Chúng tôi có thể sẵn sàng đáp ứng nhu cầu của bạn với việc vận chuyển hàng luôn trong ngày khi nhận được đơn đặt hàng.

|
HARDWARE |
||
|
Cable Jacket Type |
PVC - Polyvinyl Chloride |
|
|
Number of Conductors |
3 |
|
|
CONNECTOR(S) |
||
|
Connector A |
1 - RJ-12 6 pin Male |
|
|
Connector B |
1 - DB-9 (9 pin, D-Sub) Female |
|
|
PHYSICAL CHARACTERISTICS |
||
|
Cable Length |
2 M |
|
|
Color |
Black |
|
|
Wire Gauge |
28 AWG |
|
Thiên Trường có thu mua lại và đổi các những sản phẩm của Thiên Trường với sản phẩm của khách hàng như cáp Console Cisco, Juniper dây nguồn C5, C7, C13, C14, C15, C19, C20, C21 của máy tính, máy chủ, PDU, cáp mạng, cáp quang, dây nhẩy mạng lan, dây nhẩy quang, Adapter chuyển nguồn các loại, đầu bấm mạng, Patch Panel, Wallplate….tất cả các sản phẩm liên quan đến kết cáp kết nối máy tính và thiết bị mạng và văn phòng.
Những sản phẩm khách hàng đã mua từ nhà cung cấp khác về không thể hợp nhất với hệ thống cần sử dụng có thể liên hệ với Thiên Trường để đổi các sản phẩm với Thiên Trường hoặc bán lại cho Thiên Trường người bên công ty Thiên Trường sẽ qua tận nơi để mua lại sản phẩm với giá tốt nhât.
Các sản phẩm Thiên Trường bán ra được bảo hành đổi mới 100 % theo tiêu chuẩn của nhà sản xuất. Khác hàng mua hàng của Thiên Trường về không thể kết nối với thiết bị hoặc bị bên đối tác không cần hàng nữa Thiên Trường sẽ hoàn trả 100 % số tiền giao dịch với khách hàng trong vòng 10 ngày kể từ ngày bán.
