-
-
-
Phí vận chuyển: Tính khi thanh toánTổng tiền thanh toán:
-
Cáp PLC Programming D2–DSCBL Kết Nối KOYO DirectLOGIC D0-05DD Với HMI HITECH PWS6600S-S RS232C DB9 Male to RJ12 6 Pin Cable Length 2M
Mã SP: 3905
Thương hiệu: KTT
Loại sản phẩm: Cable MD6M to DB9 Female
250.000₫
(Giá sản phẩm chưa bao gồm VAT)















Thương hiệu: PLC Programming Cable
Model: D2–DSCBL Cable
Xuất xứ/Nguồn hãng: KTT Việt Nam
Loại sản phẩm: Cáp PLC Programming D2–DSCBL Kết Nối KOYO DirectLOGIC D0-05DD Với HMI HITECH PWS6600S-S RS232C DB9 Male to RJ12 6 Pin Cable Length 2M
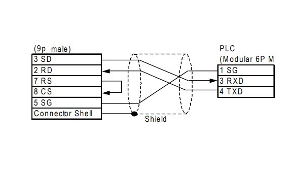
Rắc cắm kết nối KOYO DirectLOGIC D0-05DD A: RJ12 6 Pin Male (thuật ngữ kỹ thuật đầu kết nối RJ11 hoặc RJ12 6 chân)
Rắc cắm kết nối HMI HITECH PWS6600S-S B: DB9 Male (thuật ngữ kỹ thuật đầu kết nối cổng Com 9 chân hai hàng chân cắm dương)
Chỉ số đo cỡ dây dẫn theo tiêu chuẩn: 28AWG
Đường kính ngoài sợi cáp: 5.2mm
Cáp bọc loại nhựa PVC - Polyvinyl Clorua có bọc bạc chống nhiễu và sợi nhôm bọc Multi Core
Số dây truyền dẫn tín hiệu: 3 sợi với 3 mầu khách biệt nhau
Cáp sử dụng chất liệu: 4-wire cable PVC Jacketed Multi-Core Cables
Vỏ PVC cách điện chịu nhiệt cáp mềm dẻo PVC 80 độ C điện áp 30V
Trọng lượng của sản phẩm: 97g
Chiều dài sợi cáp: 2M
Màu cáp: Black
Thông số in nổi trên sợi cáp: AWM 2725 28AWG/1P 24AWG/2C VW-1 80°C 30V TH USB 2.0 I/II A FT1 60°C 30V High Speed USB Revision 2.0
Đóng gói bao bì sản phẩm: Tem nhãn hàng hóa bằng túi nilon mỗi túi một sợi
Cáp Kết Nối PLC Programming D2–DSCBL Cable được sử dụng cho HMI HITECH PWS6600S-S điều khiển truyền số liệu, nạp code KOYO DirectLOGIC D0-05DD…Mỗi một thiết bị tương ứng với một chuẩn kết nối tín hiệu khách nhau vì vậy người sử dụng cần nắm được mục đích kết nối để mua đúng sản phẩm cần dùng cho từng thiết bị và model tương ứng.
Thiên Trường nhận sản xuất các loại cáp điều khiển truyền số liệu PLC CNC kết nối tới Computer và PLC HMI màn hình cảm ứng với độ dài và chất lượng theo yêu cầu của khách hàng, khách hàng chỉ cần cung cấp đúng tên sản phẩm và model cần kết nối từ A điến B hặc C…Thiên Thường xẽ cung cấp sơ đồ kết nối của thiết bị. Chúng tôi có thể sẵn sàng đáp ứng nhu cầu của bạn với việc vận chuyển hàng.

|
HARDWARE |
||
|
Cable Jacket Type |
PVC - Polyvinyl Chloride |
|
|
Number of Conductors |
3 |
|
|
CONNECTOR(S) |
||
|
Connector A |
1 - RJ-12 6 pin Male |
|
|
Connector B |
1 - DB-9 (9 pin, D-Sub) Male |
|
|
PHYSICAL CHARACTERISTICS |
||
|
Cable Length |
2 M |
|
|
Color |
Black |
|
|
Wire Gauge |
28 AWG |
|
