-
-
-
Phí vận chuyển: Tính khi thanh toánTổng tiền thanh toán:
-
Cáp Nạp Chương Trình Cho Biến Tần Parker AC 590+ Series Cable USB to RJ10 4P4C Serial Và 1 Port RS232 Serial Gearmo USA-FTDI2X 1.5M
Mã SP: 6403
Thương hiệu: Gearmo
Loại sản phẩm: USB to 1 Port Serial & RJ10 Serial
1.400.000₫
(Giá sản phẩm chưa bao gồm VAT)


Device Manager Windows


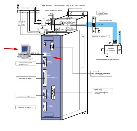
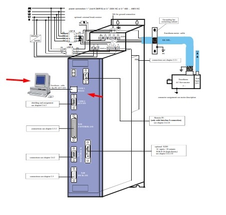
Connector assignment and functions
Digital interfaces
Service interface COM1 (RS232)
Standard
Functions:
Supporting all diagnosis and setup tasks
Connection to your PC is made with the
Eurotherm communication cable KnPC/D
Communication is made via the Eurotherm operating program
(EASYRIDER Windows - Software)


Parker DC590+ DC Digital Drive


RS232 TO DRIVE P 3 PORT





Parker SSD 690PC 7.5kW/11kW 400V AC Inverter Drive
690-432160C0-B00P00-A400 (690PC/0075/400/0011/UK/0/0/0/0/BO/0/0)


RS232 TO DRIVE P 3 PORT

Tài liệu về biến tần parker tiếng việt
Chú ý cảnh báo: Để ý kỹ trước khi đấu cáp



Modular Plug RJ9 4P4C




Modular Plug RJ11 4P4C


Serial Communications System Port (P3)

Cáp Nạp Chương Trình Cho Biến Tần Parker AC 590+ Series Cable USB to RJ10 4P4C Serial Và 1 Port RS232 Serial Gearmo USA-FTDI2X 1.5M For MAC, Windows, and Linux
Thiên Trường nhận sản xuất các loại cáp điều khiển truyền số liệu PLC CNC kết nối tới Computer và PLC HMI màn hình cảm ứng với độ dài và chất lượng theo yêu cầu của khách hàng, khách hàng chỉ cần cung cấp đúng tên sản phẩm và model cần kết nối từ A điến B hặc C…Thiên Thường xẽ cung cấp sơ đồ kết nối của thiết bị. Chúng tôi có thể sẵn sàng đáp ứng nhu cầu của bạn với việc vận chuyển hàng luôn trong ngày khi nhận được đơn đặt hàng.

Thông Số Kỹ Thuật
|
HARDWARE |
||
|
Cable Jacket Type |
PVC - Polyvinyl Chloride |
|
|
Number of Conductors |
3 |
|
|
CONNECTOR(S) |
||
|
Connector A |
1 - RJ-10 4 pin Male |
|
|
Connector B |
1 - DB-9 (9 pin, RS232) Female |
|
|
PHYSICAL CHARACTERISTICS |
||
|
Cable Length |
3 M |
|
|
Color |
Grey |
|
|
Wire Gauge |
28 AWG |
|
