-
-
-
Phí vận chuyển: Tính khi thanh toánTổng tiền thanh toán:
-
Bộ Combo Cáp Chuyên Dụng RJ10 4P4C to DB9 Female 3M & USB to 2 Port Com DB9 Gearmo For Nạp Chương Trình Cho Biến Tần Máy Pha Băng Tải Parker AC 590+ Series
Mã SP: 6275
Thương hiệu: KTT Cable PLC
Loại sản phẩm: Cable RJ10 to DB9 Female
1.300.000₫
(Giá sản phẩm chưa bao gồm VAT)




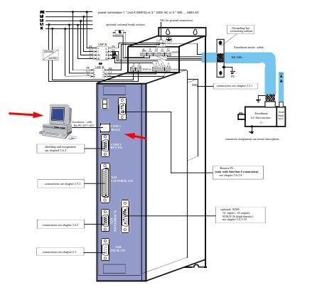
Connector assignment and functions
Digital interfaces
Service interface COM1 (RS232)
Standard
Functions:
Supporting all diagnosis and setup tasks
Connection to your PC is made with the
Eurotherm communication cable KnPC/D
Communication is made via the Eurotherm operating program
(EASYRIDER Windows - Software)


Parker DC590+ DC Digital Drive


RS232 TO DRIVE P 3 PORT





Parker SSD 690PC 7.5kW/11kW 400V AC Inverter Drive
690-432160C0-B00P00-A400 (690PC/0075/400/0011/UK/0/0/0/0/BO/0/0)


RS232 TO DRIVE P 3 PORT

Tài liệu về biến tần parker tiếng việt
Chú ý cảnh báo: Để ý kỹ trước khi đấu cáp



Modular Plug RJ9 4P4C




Modular Plug RJ11 4P4C


Serial Communications System Port (P3)

Thương hiệu: RS232 Programming Cable Parker Drive
Model: Kn PC 637+/631 – 03.0
Number: KK.5004.0003
Xuất xứ/Nguồn hãng: Việt Nam/Thiên Trường PC KTT
Loại sản phẩm: Cáp Điều Khiển Biến Tần Parker AC integrator 690+ Series Communication Cable Kn PC 637+/631 – 03.0 RS232 RJ10 4P4C to DB9 Female 3M For Parker Drive Với Máy Tính
Rắc cắm kết nối thiết bị Parker AC integrator 690+ Series: RJ10 4 Pin Male (thuật ngữ kỹ thuật đầu kết nối RJ9 hoặc RJ10 4 chân hay ngọi là rắc tay cầm nghe nói điện thoại bàn)
Rắc cắm kết nối Computer: RS232 DB9 Female (thuật ngữ kỹ thuật đầu kết nối cổng Com 9 chân hai hàng chân cắm âm)
Chuẩn giao tiếp: RS232
Chỉ số đo cỡ dây dẫn theo tiêu chuẩn: 28AWG
Đường kính ngoài sợi cáp: 3.7mm
Cáp bọc loại nhựa PVC - Polyvinyl Clorua có bọc bạc chống nhiễu và sợi nhôm bọc Multi Core
Số dây truyền dẫn tín hiệu: 3 sợi với 3 mầu khách biệt nhau
Cáp sử dụng chất liệu: 4-wire cable PVC Jacketed Multi-Core Cables
Vỏ PVC cách điện chịu nhiệt cáp mềm dẻo PVC 80 độ C điện áp 30V
Trọng lượng của sản phẩm: 120g
Chiều dài sợi cáp: 3M
Màu cáp: Grey
Thông số in nổi trên sợi cáp: E148000 AWM STYLE 2464 28AWG 80C 300V VW-1 AWM I/II A/B 80C 300V FT1 -LF- PC15
Đóng gói bao bì sản phẩm: Tem nhãn hàng hóa bằng túi nilon mỗi túi một sợi
Thiên Trường nhận sản xuất các loại cáp điều khiển truyền số liệu PLC CNC kết nối tới Computer và PLC HMI màn hình cảm ứng với độ dài và chất lượng theo yêu cầu của khách hàng, khách hàng chỉ cần cung cấp đúng tên sản phẩm và model cần kết nối từ A điến B hặc C…Thiên Thường xẽ cung cấp sơ đồ kết nối của thiết bị. Chúng tôi có thể sẵn sàng đáp ứng nhu cầu của bạn với việc vận chuyển hàng luôn trong ngày khi nhận được đơn đặt hàng.

Thông Số Kỹ Thuật
|
HARDWARE |
||
|
Cable Jacket Type |
PVC - Polyvinyl Chloride |
|
|
Number of Conductors |
3 |
|
|
CONNECTOR(S) |
||
|
Connector A |
1 - RJ-10 4 pin Male |
|
|
Connector B |
1 - DB-9 (9 pin, RS232) Female |
|
|
PHYSICAL CHARACTERISTICS |
||
|
Cable Length |
3 M |
|
|
Color |
Grey |
|
|
Wire Gauge |
28 AWG |
|
