-
-
-
Phí vận chuyển: Tính khi thanh toánTổng tiền thanh toán:
-
Cáp OEM 57FE-336-205W-ROHS. (10S1197) 5M 17ft 36 Way Centronics Male to CN36 Printer Cable For Furuno Printer Interface
Mã SP: 9097
Thương hiệu: China Cable Printer
Loại sản phẩm: Cable DB36 M/M
3.000.000₫
(Giá sản phẩm chưa bao gồm VAT)

36 Way Centronics male to CN36 printer Cable




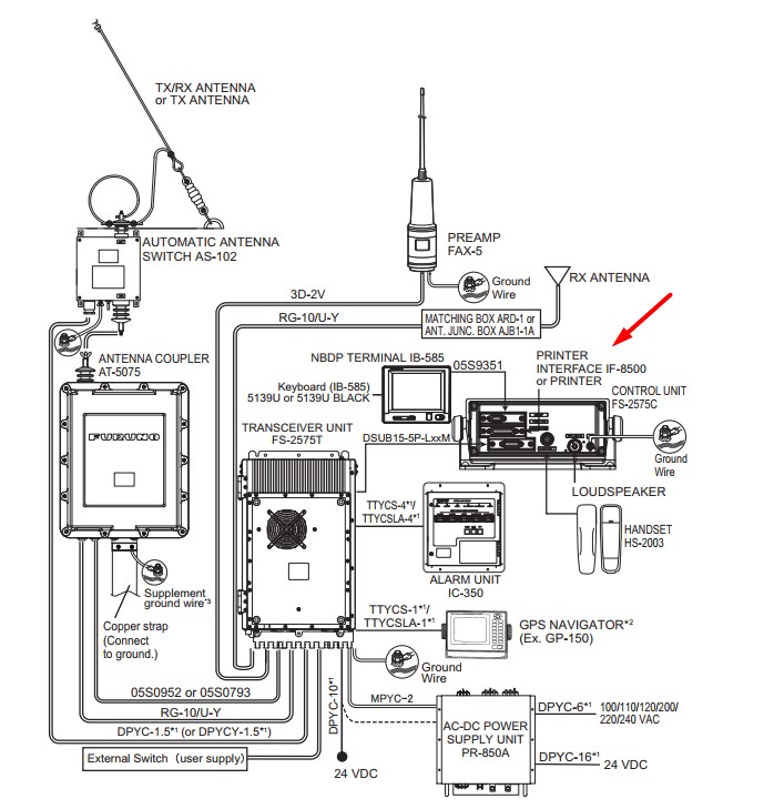
Furuno FS-2575 WIRING

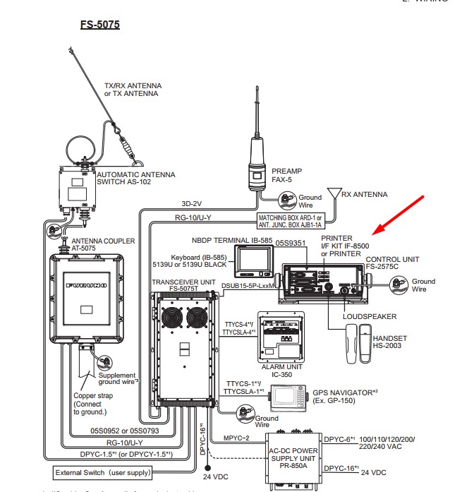
Furuno FS-5075 WIRING

Furuno Interconnection Diagram-System Configuration

Furuno System Configuration

Furuno TRANSCEIVER UNIT FM-8500

Furuno FM-8500 Marine VHF Radio Telephone Transceiver FOR PARTS/AS-IS

Furuno NBDP IB-585

Furuno Control Unit FS-2575C


Furuno MF/HF Radiotelephone Control Unit FS-1575


Bộ đầu cuối Furuno Display IB-583 NBDP Telex Terminal Unit

FURUNO JAPAN PRINTER INTERFACE IF 8500 MARINE SHIPS BOAT COMMUNICATION IF-8500


Furuno IF-8500 Printer Interface Unit Serial

Fururno Electric PP-520 GMDSS Compliant Dot Matrix Printer



Cáp OEM 57FE-336-205W-ROHS. (10S1197) 5M 17ft 36 Way Centronics Male to CN36 Printer Cable For Furuno Printer Interface
