-
-
-
Phí vận chuyển: Tính khi thanh toánTổng tiền thanh toán:
-
Cáp Lập Trình PC-XC 6Ff Dài 1.8M Programming Flat Cable RS232 MD8M to DB9 Female For PLC XINJE TP-XC,TH-XC,TG-XC Series and HMI/PC Download/upload Software Data
Mã SP: 8404
Thương hiệu: KTT Cable PLC
Loại sản phẩm: Cable MD8M to DB9 Female
300.000₫
(Giá sản phẩm chưa bao gồm VAT)

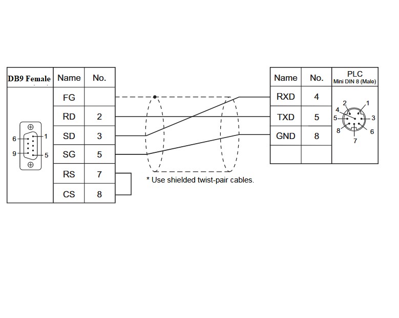
Wiring diagram PLC XINJE TP-XC,TH-XC,TG-XC Series and HMI/PC Download/upload Software Data Programming Cable RS232

PLC XINJE TP-XC,TH-XC,TG-XC Series



Wiring diagram Port RS232 PLC XINJE


Sử dụng cổng 1 để tải chương trình và cổng 2 để đọc dữ liệu từ PLC
I'am going to use port1 to download the program and port2 to read the data from PLC.
Open software,go to Configurations select serial port 2.Note that not to change settings of port1.


Change serial port2 settings as following image

set communication mode to User Protocol
Baud rate to 9600
and the others as in the image
Then click Write To Plc
Download your program to PLC and run it
Disconnect power and remove the cable from port1,connect it to port2 to read data from PLC according to your program.
Re power PLC to read data from PLC.If you don't have any serial port moniter. microc will help you to show the data comming from PLC

Open microc software ,then open USART monitor,set the values as you set into the PLC.Then click connect.you are done!
Automatic PLC Control Panel

Specifications
Brand: ViệtNam/Thientruongpc
Connector HMI/Conputer 1: DB9 Female
Connector PLC XINJE 2: Mini Din 8 Pin Male
Cable Type: RS232 Communication interfaces Data Transfer Cable
Connectors: MD8M to DB9 Female
Wire Gauge (AWG): 28 AWG
Jacket Material: PVC
Cable Style: Flat
Wire Diameter Flat (mm): 8.9mm x 2.6mm
Length : 1.8M
Color: Light Blue Jacket
Cable Flat Cisco 26AWG
Cáp Lập Trình PC-XC 6Ff Dài 1.8M Programming Flat Cable RS232 MD8M to DB9 Female For PLC XINJE TP-XC,TH-XC,TG-XC Series and HMI/PC Download/upload Software Data
Thiên Trường nhận cung cấp cáp theo độ dài khách hàng yêu cầu 1.5M, 3M...100M, khách hàng chỉ cần cung cấp đúng hãng, Model của PLC/HMI Port kết nối.
Tủ điều khiển PLC điều khiển lập trình cho thiết bị cánh tủ thường xuyên đóng mở hay đứt cáp điều khiển. Thiên Trường hóa đổi sợi cáp lập trình Cisco console cable thành cáp lập trình PLC chuyên dụng cho đóng mở thường xuyên mà không đứt cáp điều khiển.
Chúng tôi có thể sẵn sàng đáp ứng nhu cầu của bạn với việc vận chuyển hàng luôn trong ngày khi nhận được đơn đặt hàng.
