-
-
-
Phí vận chuyển: Tính khi thanh toánTổng tiền thanh toán:
-
Cáp Kết Nối Điều Khiển Buồng Thử Nghiệm Sốc Nhiệt ThermoTrak harness 2800/4800 Với PC Cable RS232 DB25 Male to DB9 Female Length 5M
Mã SP: 4842
Thương hiệu: KTT
Loại sản phẩm: RS232C DB25 Male to DB9 Female
700.000₫
(Giá sản phẩm chưa bao gồm VAT)







Thermotron S-16 Environmental Temperature Test Chamber 2800 Programmable Control

Thermotron Temperature Test Chamber 4800 Programmable Control


Thương hiệu: KTT Việt Nam Cable
Xuất xứ/Nguồn hãng: Việt Nam Thiên Trường PC
Loại sản phẩm: Cáp Kết Nối Điều Khiển Buồng Thử Nghiệm Sốc Nhiệt ThermoTrak harness 2800/4800 Với PC Cable RS232 DB25 Male to DB9 Female Length 5M
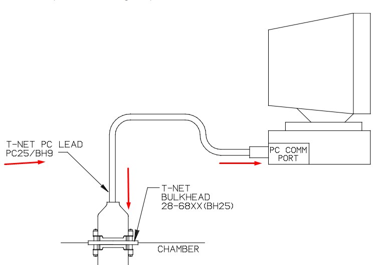
Rắc cắm kết nối ThermoTrak harness 2800/4800: RS232 DB25 Male
Rắc cắm kết nối PC Computer: RS232 DB9 Female
Chuẩn kết nối cáp: RS-232 communications port
Chỉ số đo cỡ dây dẫn theo tiêu chuẩn: 28AWG
Đường kính ngoài sợi cáp: 5.0mm
Số dây truyền dẫn tín hiệu: 4 dây với 4 mầu khách biệt nhau + 1 sợi tiếp mát và vỏ bọc bạc chống nhiễu chống ẩm
Cáp bọc loại nhựa PVC - Polyvinyl Clorua
Cáp lá chắn loại nhôm Multi-Conductor
Vỏ PVC cách điện chịu nhiệt cáp mềm dẻo PVC 60°C ~ 80°C
Trọng lượng của sản phẩm: 250g
Chiều dài sợi cáp: 5M
Màu cáp: Black
Thông số in nổi trên sợi cáp: AWM 2725 28AWG/1P 24AWG/2C VW-1 80°C 30V TH USB 2.0 I/II A FT1 60°C 30V High Speed USB Revision 2.0
Đóng gói bao bì sản phẩm: Tem nhãn hàng hóa bằng túi nilon mỗi túi một sợi
Cáp Kết Nối RS-232 communications port DB25 Male to DB9 Female kết nối Điều Khiển Buồng Thử Nghiệm Sốc Nhiệt với Computer theo chú thíc ở trên vì buồng thử nghiệm sốc nhiệt có nhiều điểm kết nối cổng RS232 nên mỗi điểm kết nối tương ứng với một tính năng truyền dẫn và điều khiển khách nhau.
Mỗi một thiết bị tương ứng với một chuẩn kết nối tín hiệu khách nhau vì vậy người sử dụng cần nắm được mục đích kết nối để mua đúng sản phẩm cần dùng cho từng thiết bị và model tương ứng.
Thiên Trường nhận sản xuất các loại cáp điều khiển truyền số liệu PLC CNC kết nối tới Computer và PLC HMI màn hình cảm ứng với độ dài và chất lượng theo yêu cầu của khách hàng, khách hàng chỉ cần cung cấp đúng tên sản phẩm và model cần kết nối từ A điến B hặc C…Thiên Thường xẽ cung cấp sơ đồ kết nối của thiết bị. Chúng tôi có thể sẵn sàng đáp ứng nhu cầu của bạn với việc vận chuyển hàng luôn trong ngày khi nhận được đơn đặt hàng.

|
HARDWARE |
||
|
Connector Plating |
Nickel |
|
|
CONNECTOR(S) |
||
|
Connector A |
1 - DB-9 (9 pin, D-Sub) Female |
|
|
Connector B |
1 - DB-25 (25 pin, D-Sub) Male |
|
|
PHYSICAL CHARACTERISTICS |
||
|
Cable Length |
5 M |
|
|
Color |
Black |
|
|
Connector Style |
RS-232 communications port |
|
