-
-
-
Phí vận chuyển: Tính khi thanh toánTổng tiền thanh toán:
-
Cáp Điều Khiển AX-RS232C-9P Communication Interface RS232C Shielded Cable DB9 Male to Female Dài 3M 10ft For Servo Link CKD Absodex AX Series TS Type TH Type XS Type witch Computer
Mã SP: 10435
Thương hiệu: KTT Cable Servo Driver/PLC/PC
Loại sản phẩm: DB9M/DB9F Cross Cable
650.000₫
(Giá sản phẩm chưa bao gồm VAT)

AX-RS232C-9P Communication Interface RS232C Cable

AX-RS232C-9P RS-232C Interface Cable Connection Diagram

RS -232C Signal Specifications
Communication Specifications


System Configuration (TS Type Driver/TH Type Driver)

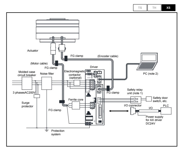
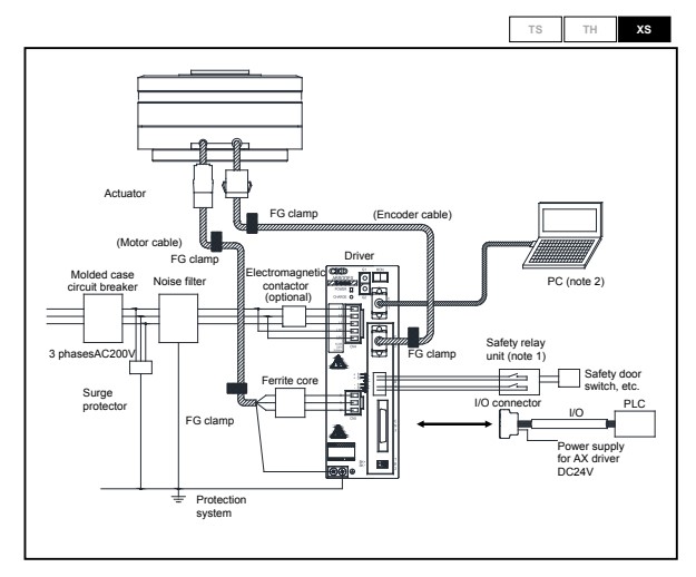
System Configuration (XS Type Driver)

TS Type Driver Panel 200 VAC specification

TS Type Driver Panel 100 VAC specification

TH Type Driver Panel

XS Type Driver Panel 200 VAC specification

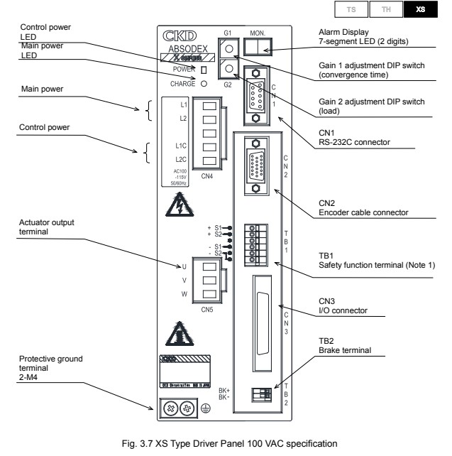
XS Type Driver Panel 100 VAC specification
Cáp Điều Khiển AX-RS232C-9P Communication Interface RS232C Shielded Cable DB9 Male to Female Dài 3M 10ft For Servo Link CKD Absodex AX Series TS Type TH Type XS Type witch Computer
