-
-
-
Phí vận chuyển: Tính khi thanh toánTổng tiền thanh toán:
-
Bộ Jack Honda MR-50L 50 Pin Female Connector with Solder For Honda Fanuc, Fuji, Okuma, CNC, DNC Machines Connector
Mã SP: 8361
Thương hiệu: HONDA
Loại sản phẩm: MR-50 Pin Female
Đánh giá
:Giá
:1.200.000₫
(Giá sản phẩm chưa bao gồm VAT)
Mô tả :
Xuất xứ/Nguồn hãng: Japan/HONDA
Bảo hành: 12 tháng
Tình trạng: Còn hàng
Mua Hàng Online
Mr Khanh: 091.301.5851
Mr Lam: 085.514.0226
Mr Khoa: 098.131.9702
Mr Khôi: 037.308.1800
Hỗ trợ kỹ thuật Khanh: 038.724.5670


MR-50F 50 Pin Female Honda Japan Connector For Cable Fanuc

MR-50F 50 Pin Female Honda Japan Connector with Solder



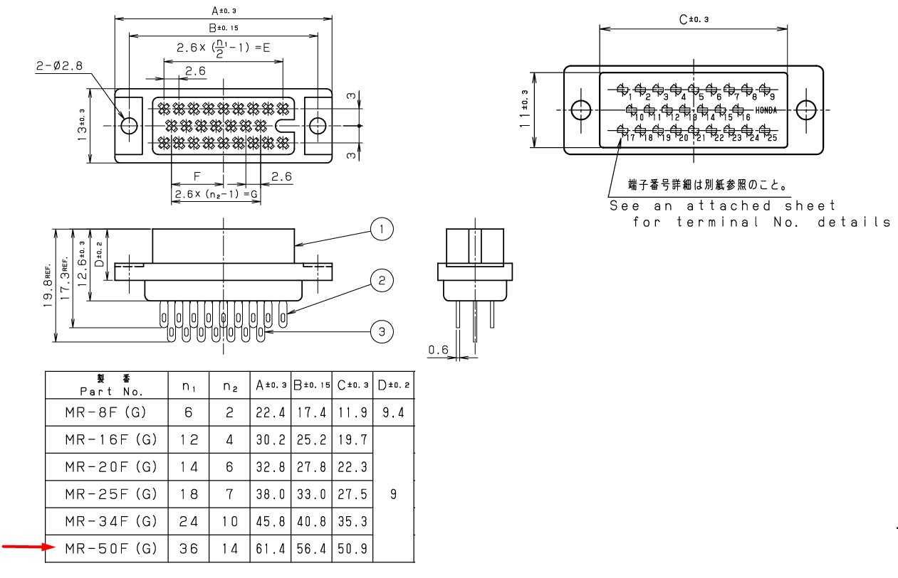
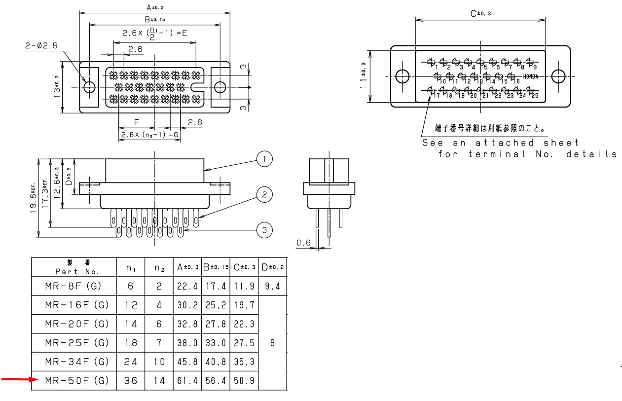
Drawing HONDA MR-50F 50 Pin Female

Specifications
Brand: Japan/Original Honda MR-50F 50 Pin Female Connector
Manufacturer Part Number: MR Series (Honda MR-50L)
Gender: Female 50 Pin
Description: Connector with Solder 50 Pin
Contact Plating: Gold
Voltage Rating: 300V /3A
Temperature range: -30°C to +80°C
Bộ Jack Honda MR-50L 50 Pin Female Connector with Solder For Honda Fanuc, Fuji, Okuma, CNC, DNC Machines Connector
