-
-
-
Phí vận chuyển: Tính khi thanh toánTổng tiền thanh toán:
-
Bộ Chuyển Đổi Calex Model 8502 24V to 5V 0 to 20 kHz Channel Signal Converter For Stepper Motor to PLC Interface
Mã SP: 7192
Thương hiệu: Calex
Loại sản phẩm: Calex Model 8501 Converter
2.000.000₫
(Giá sản phẩm chưa bao gồm VAT)









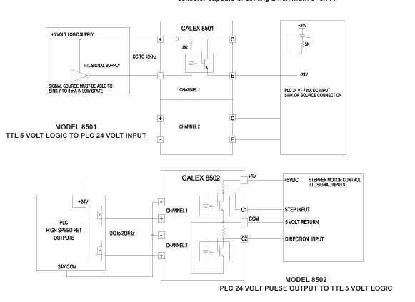
Model 8502 is a two channel converter, 24V to 5V. Each channel requires 7mA into 2.5K ohms to provide a 5mA sinking output to TTL 5 Volt Logic. The output is an optocoupler NPN transistor collector and requires the 5 Volt logic supply and its return. The input frequency range is DC to 20KHz. A typical application is the direction and step control of a Stepper Motor by PLC 24 Volt high speed outputs, where the motor controller requires 5 Volt logic signal levels. The inputs are isolated by optocouplers and are protected from ESD by Varistors. The 2 outputs have a common emitter with each output collector capable of sinking a minimum of 5mA.
Bộ Chuyển Đổi Calex Model 8502 24V to 5V 0 to 20 kHz Channel Signal Converter For Stepper Motor to PLC Interface
Thiên Trường có thu mua lại và đổi các những sản phẩm của Thiên Trường với sản phẩm của khách hàng như cáp lập trình các loại cáp Console Cisco, Juniper dây nguồn C5, C7, C13, C14, C15, C19, C20, C21 của máy tính, máy chủ, PDU, cáp mạng, cáp quang, dây nhẩy mạng lan, dây nhẩy quang, Adapter chuyển nguồn các loại, Card mở rộng mạng Lan, RS232, RS485, IEEE-488 GPIB, cáp I/O CNC, đầu bấm mạng, Patch Panel, Wallplate….tất cả các sản phẩm liên quan đến kết cáp kết nối máy tính và thiết bị mạng và văn phòng.
Thiên Trường có thu mua lại các sản phẩm cáp kết nối bên trong và ngoài PLC, CNC, CMC, Servo Drive và đầu rắc hàng tháo máy đã qua sử dụng, Card Matrox, Card National Instruments PCI-GPIB công nghiệp tháo máy hàng đã qua sử dụng.
Thiên Trường có thu mua lại cáp điều khiển, dây điện, cáp quang cáp mạng, cuộn nguyên và cáp lẻ hàng mới và hàng đã qua sử dụng.
Những sản phẩm khách hàng đã mua từ nhà cung cấp khác về không thể hợp nhất với hệ thống cần sử dụng có thể liên hệ với Thiên Trường để đổi các sản phẩm với Thiên Trường hoặc bán lại cho Thiên Trường người bên công ty Thiên Trường sẽ qua tận nơi để mua lại sản phẩm với giá tốt nhât.
Các sản phẩm Thiên Trường bán ra được bảo hành đổi mới 100 % theo tiêu chuẩn của nhà sản xuất. Khác hàng mua hàng của Thiên Trường về không thể kết nối với thiết bị hoặc bị bên đối tác không cần hàng nữa Thiên Trường sẽ hoàn trả 100 % số tiền giao dịch với khách hàng trong vòng 15 ngày kể từ ngày bán.
